-
-
-
Tổng tiền thanh toán:
-



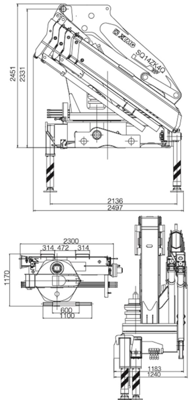
Cẩu gấp khúc robot 14 tấn là dòng cẩu hạng nặng, xe cơ sở yêu cầu có tổng tải trọng từ 24 tấn trở lên. Xe cẩu 14 tấn phù hợp cho xây dựng và công nghiệp hạng nặng: bốc xếp cấu kiện dạng pallet, vật liệu xây dựng, gỗ, thiết bị,…đòi hòi cường độ cao, năng suất lớn.
XCMG là tập đoàn thiết bị xây dựng và chuyên dụng hạng nặng top 10 thế giới và hàng đầu Trung quốc. Cẩu gấp khúc robot XCMG được sản xuất trên nền tảng công nghiệp phát triển, dây chuyền hiện đại, quy trình kiểm tra chất lượng nghiêm ngặt. Ngoài ra, cẩu được sản xuất tại Trung Quốc với số lượng lớn, chi phí nhân công rẻ, cẩu XCMG có giá thành cạnh tranh và thường thấp hơn 20-30% so với các sản phẩm có chất lượng tương đương. Cẩu gấp XCMG có model chủng loại hết sức đa dạng, sức nâng trải rộng từ 1.5 tới 30 tấn: 1.5, 2, 3.2, 4, 5, 6.3, 8 10 12 14 16 20 25 30 tấn.
Cẩu gấp 14 tấn XCMG thường được sản xuất sẵn với số lượng lớn, bởi đây là 1 trong những model chủ đạo, phù hợp với điều kiện khai thác hiện nay. Cẩu có giá thành hết sức cạnh tranh trong cùng phân khúc trên thị trường cẩu gấp khúc robot.
|
Model |
SQ14ZK |
|
|
Momen nâng max |
35 |
t.m |
|
Sức nâng lớn nhất |
14000 tại 2.5m |
kg |
|
Tầm với tối đa |
11.4 |
m |
|
Sức nâng đầu cần |
2530 |
kg |
|
Công suất cần thiết cho hệ thống thủy lực |
32 |
kw |
|
Lưu lượng dầu thủy lực |
63 |
L/mi |
|
Áp suất dầu thủy lực |
26 |
MPa |
|
Thùng dầu thủy lực |
220 |
L |
|
Khả năng quay toa |
(360°) liên tục |
。 |
|
Tự trọng cẩu |
4800 |
kg |
|
Khoảng cách lắp đặt cẩu cần thiết |
1300 |
mm |
|
Xe cơ sở yêu cầu |
Xe có tổn tải từ 24 tấn trở lên |
|


